News Center

新闻中心

新闻中心

公司动态

2023.11.01
辉达娱乐携智能穿戴低功耗电源解决方案亮相第十届中国IoT大会

screenshot-20231108-113908.png

辉达娱乐市场销售总监 王飞



10月30日至31日,由电子发烧友和慕尼黑华南电子展联合主办的以“智物联,新风向”为主题的2023第十届中国IoT大会在深圳国际会展中心圆满举行,本次大会旨在为各大应用市场更好地了解最新IoT创新技术带来的商机和挑战,更好地把握市场脉搏。其中,辉达娱乐市场销售总监王飞受邀出席本届大会的可穿戴设备分论坛,为现场与会人士带来关于“辉达娱乐智能穿戴低功耗电源解决方案”的演讲,包括分享智能手表发展的历程与功能演变,以及介绍基于智能手表对电源在更长续航、精准监测、稳定连接等方面的需求,辉达娱乐可提供的更高效、更紧凑、更智能的智能穿戴产品电源解决方案

640.png


Buck:

低功耗//低纹波//高效率//

优秀的动态响应

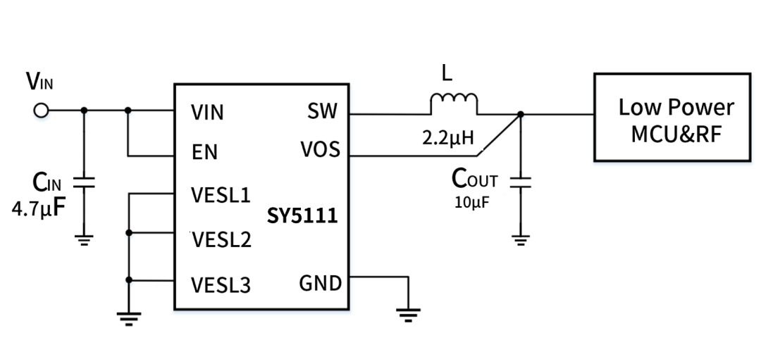
SY5111、SY5112

SY5111:6V,300mA 低功耗Buck

SY5112:6V,600mA 低功耗Buck

?2.15~6V 输入电压 

?静态功耗低至200nA 

?100uA负载效率高达90% 

?轻载PFM模式

?输出电压可选 

?输出放电模式 

?WLCSP-8:1.7mm*0.9mm

?DFN2x2-8

640 (1).png640 (2).png



Boost:

低功耗//低纹波//高效率//

优秀的动态响应

SY5951

超低功耗同步Boost

?0.7~5.5V 输入电压

?Vin:50nA静态电流 

?峰值限流高至1A 

?轻载PFM模式 输出电压可调,定压版本可选

?Shutdown模式下输出完全断开 

?0.1mA负载效率高达90% 

?10-300mA负载效率高达93% 

?WLCSP-8:1.4mm*1mm

?DFN2x2-8

640 (3).png


LDO:

低功耗//高PSRR//高精度

SY5002

5.5V,300mA低功耗LDO

?1.8~5.5V 输入电压 

?静态功耗低至600nA 

?Standby电流低至30nA 

?1%输出电压精度 

?固定输出电压版本

?PSRR:63dB @10mA,0.8V,1kHz

?输出自动放电功能 

?Low dropout电压:196mV @3.3V,300mA

?DFN1x1-4 

?SOT23-5

640 (4).png


Load-switch:

低功耗//低阻抗//小封装//

部分应用需要输出防倒灌

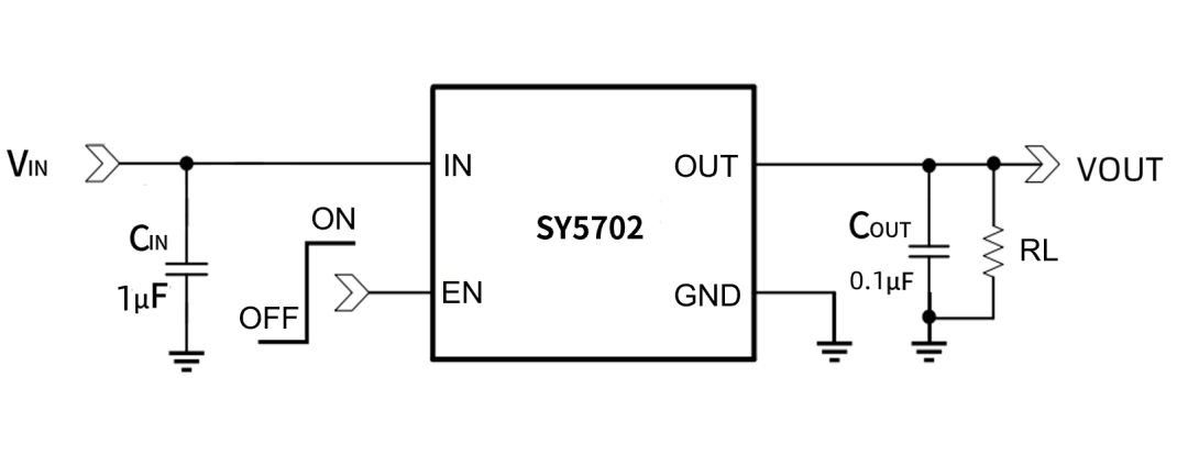
SY5702

5.5V,2A,带RCP低功耗Load-switch

?1.2~5.5V 输入电压 

?静态功耗低至250nA 

?shutdown电流低至10nA 

?43mohm内部阻抗

?输出电压防倒灌功能 

?输出自动放电功能 

?FOCSP4:0.76x0.76mm

?DFN1x1-4

640 (5).png


SY5701

5.5V,1.5A,低功耗Load-switch

?1.2~5.5V 输入电压 

?静态功耗低至15nA 

?shutdown电流低至10nA 

?66mohm内部阻抗

?输出自动放电功能 

?FOCSP4:0.76x0.76mm

?DFN1x1-4

640 (6).png


穿戴系统的充电管理:

低功耗,高精度等

SY6202

I2C,NVDC,1.5A Buck 开关充电

?耐压高达22V 

?1.5MHz开关频率 

?0.5%充电电压精度 

?5%充电电流精度 

?截止电流低至20mA 

?1A充电效率高达92% 

?内置远端电池采样 

?内部参数I2C可调 

?NVDC power path 

?10.5uA stand-by电流 

?Shipmode电流低至1.2uA 

?CSP20-2x2mm

640 (7).png



伴随人工智能、物联网等高新技术持续发展、消费者对电子终端的需求逐步增加,智能穿戴产品的功能将随之更加完善,芯片在其中发挥的核心作用也将更为重要,辉达娱乐将会持续深耕智能穿戴产品市场,不断提升团队研发及创新实力,为全球客户带来更多优质的“芯”产品





返回列表