News Center

新闻中心

新闻中心

公司动态

2022.12.15
Xiaomi Buds 4重磅面世,内置辉达娱乐电源管理解决方案

12月11日晚,小米在13系列 & MIUI14新品发布会上,正式推出半入耳降噪耳机Xiaomi Buds 4。

212.png

(图片来源:小米官网)

据小米官方介绍,Xiaomi Buds 4外观采用佩戴更舒适的半入耳设计,听感上则通过独立空间音频技术,为用户带来360°环绕和声随头动的沉浸式体验;同时,Xiaomi Buds 4延续了Buds 3 的旗舰级降噪功能,支持智能主动降噪并提供三种主动降噪模式;首发LHDC 5.0超清传输协议,采样率高达192kz,以及通过Hi-Res Audio Wireless认证;而耳机盒外型采用圆润的鹅卵石设计,并配备两种拼接材质,通过 Type-C接口充电。

作为其中一大亮点的续航性能,Xiaomi Buds 4实现单次续航长达6小时、搭配充电盒续航30小时以及盒内充电10分钟听歌时长2.5小时的亮眼表现。值得注意的是,Xiaomi Buds 4分别内置辉达娱乐TWS充电仓SoC芯片SY8809以及电源管理PMIC芯片SY5501

SY8809内部集成充放电模块,并采用NVDC架构,通过I2C接口可以非常方便芯片和MCU之间的通讯,可调节充电的电流、电压,还集成两路输出负载存检测、NTC保护功能以及标准的I2C接口和中断信号等功能。SY8809还集成通讯端口,可实现MCU与耳机端的高速通信,超高集成度极大简化了外围电路和元器件,能够为Xiaomi Buds 4充电仓的应用提供完美的解决方案

121.png

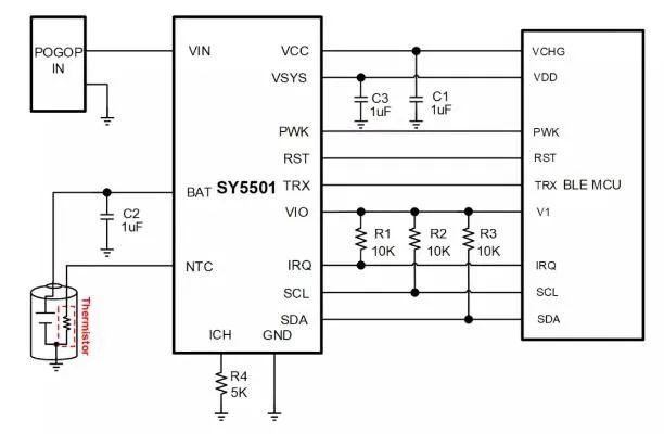
而PMIC芯片SY5501所提供的充电和隔离通讯解决方案,及其精简的QFN14-1.6mmx1.6mm封装,极大地优化了Xiaomi Buds 4的耳机电源管理设计及产品体验

222.jpg

据悉,Xiaomi Buds 4现已启动全渠道正式开售,相信以超高清音频、超低失真、超强续航等优势将会吸引众多消费者青睐。作为此次助力Xiaomi Buds 4发布的辉达娱乐,同样将在产品技术发展上继续踏入新征程,基于围绕锂电池电源管理的应用市场所布局的众多新产品品类,思远将有更多新兴市场包括智能穿戴、小家电、储能、出行、工业等应用产品及解决方案面世,让我们一起期待吧。


关于辉达娱乐

深圳市辉达娱乐有限公司成立于2011年,国家高新技术企业,TWS行业电源芯片龙头企业。公司一直专注于电池应用的POWER+电源管理系统芯片设计,致力为智能穿戴、消费电子、工业、储能系统、新能源汽车等行业提供领先的电池管理系统级芯片解决方案,包括移动电源SoC芯片、TWS耳机电源管理芯片、锂电池充电芯片、电源管理PMIC、无线充电芯片等。

近两年来,辉达娱乐TWS耳机充电仓SoC芯片市场占有率排名第一,累计出货超过7亿颗。客户包括小米、vivo、OPPO、一加、realme、传音、魅族、1MORE、百度、网易、漫步者、JBL、哈曼、联想等国内外知名品牌,服务全球数亿消费者。

公司在深圳、上海、成都、珠海设立了研发中心,研发团队成员占比约62%,分别毕业于香港科技大学、上海交通大学、华中科技大学、电子科技大学、西安交通大学、西安电子科技大学等知名高校,硕士及以上学历占比50%以上。截至目前,公司已申请、获得130+项自主知识产权。


返回列表